暖通雜淡
菲斯曼WH1D與A1JC鍋爐接口尺寸和煙道尺寸介紹。
作者:武漢菲斯曼 添加時間:2017-5-12 15:18:37 瀏覽:
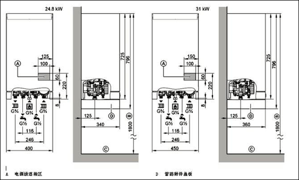
很多安裝師父忘記了菲斯曼壁掛爐Wh1D、A1JC接口尺寸和煙道尺寸。今天舒適家就給大家介紹一下菲斯曼壁掛爐安裝時下方預留的采暖供回水、燃氣管、生活冷熱水管道之間的間距、燃氣鍋爐煙道出墻尺寸位置介紹。

菲斯曼Wh1D安裝尺寸介紹(下圖)

菲斯曼A1JC鍋爐安裝尺寸(下圖)

菲斯曼壁掛爐安裝煙道要求(下圖)
煙道長度要求(下圖)

菲斯曼壁掛爐煙道安裝說明:1.煙道孔對于100的煙道最少需要打110的孔,最好打120的煙道孔。2.排煙管最大長度不能超過3米。3.加裝45度排煙/進煙彎頭減0.5米;87度排煙/進氣彎管減少1米;4.外墻連接管必須至少有3度的坡度。
